比亚迪好像有搞黑科技了。
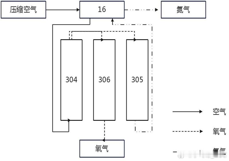
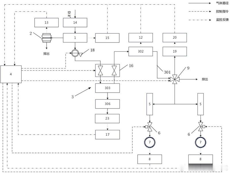
看了个比亚迪的专利,车载制氧机,可不是简单的一个制氧机放车上通个电而已。
迪迪这套系统和空气悬挂的气罐,还有胎压系统全部打通了,是一整套系统。
比亚迪可能在开发一款特种车辆[捂嘴哭]
比亚迪好像有搞黑科技了。
看了个比亚迪的专利,车载制氧机,可不是简单的一个制氧机放车上通个电而已。
迪迪这套系统和空气悬挂的气罐,还有胎压系统全部打通了,是一整套系统。
比亚迪可能在开发一款特种车辆[捂嘴哭]
猜你喜欢
【35评论】【25点赞】
【61评论】【10点赞】
【1评论】【1点赞】
【7评论】【1点赞】
【43评论】【28点赞】
【8评论】【2点赞】
【19评论】【17点赞】
作者最新文章
热门分类
汽车TOP
汽车最新文章